A final-year research project titled “Design and Development of a Distributed Voltage Compensator to Enhance the Solar PV Hosting Capacity of LV Distribution Feeders up to the Thermal Limit”, carried out by a final year group of Batch 2020 undergraduates from the Department of Electrical Engineering, University of Moratuwa, under the supervision of Prof. J. P. Karunadasa, has been selected as the Best Final Year Research Project for the academic year 2024/2025.
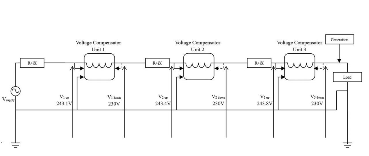
The project was undertaken by Lahiru Roshan Rathnayaka, Lakshitha Rajapaksha, and Janani Chamathya, who designed and developed a distributed voltage compensator capable of maintaining feeder voltage within statutory limits, irrespective of the location of loads or solar PV connections. The proposed solution also addresses undervoltage conditions and mitigates voltage unbalance across phases.
This innovative work directly addresses a major challenge currently faced by Sri Lanka’s power utilities, including CEB and LECO, and supports the increased integration of renewable energy into the country’s energy mix.
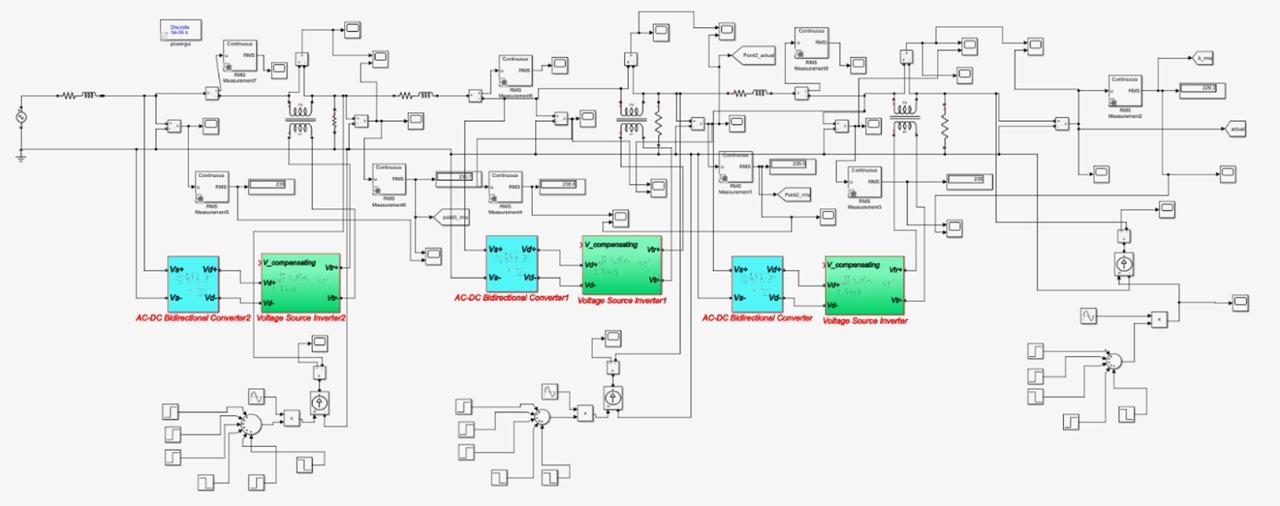
The design was validated through extensive simulation studies using real distribution feeder data, incorporating dynamic variations in load demand and solar PV generation. The developed compensator comprises a Voltage Source Inverter (VSI), an AC–DC bidirectional converter, a transformer, and an advanced control system. The project further included thermal design, PCB design, 3D modeling of the compensator unit, and basic hardware implementation to demonstrate real-world feasibility.




